Blog

Press Release
Why Do Ultracapacitors Require ...

Why Do Ultracapacitors Require Balancing, and What Are the Balancing Methods?

For most applications, a single ultracapacitor cell at low voltage is not very useful, so normally multiple ultracapacitor cells are connected in series to achieve the required system voltage. Since ultracapacitor cells have a tolerance difference in capacitance and leakage current, there will always be an imbalance in the cell voltages of an ultracapacitor series string. It is important to ensure that the individual voltage of any single ultracapacitor cell does not exceed its maximum recommended working voltage, as this could result in reduced life.

This voltage imbalance is immediately dominated by the capacitance difference between the ultracapacitor cells because a cell with a lower capacitance will charge to a higher voltage in a series string than the other cells with higher capacitance. For example, if two 2.7V ultracapacitor cells, each rated at 10F, are connected in series, with one cell at +20% of nominal capacitance and the other at -10%, then the highest possible voltage for each ultracapacitor cell can be calculated as follows:

Vcap1=Vsupply x (Ccap1/(Ccap1 + Ccap2))

Assuming Vsupply=5.4V

Vcap1=5.4 x (12/(12+9))

Vcap1=3.08V

A voltage of 3.08V is too high for a single ultracapacitor cell rated at 2.7V; thus, series-connected ultracapacitor cells require a proper cell-balancing scheme to ensure that no cell sees a higher-than-rated voltage condition.

When an ultracapacitor series stack is on charge for a period of time, leakage current may also affect the voltage distribution among the cells. In this case, a cell with a higher leakage current will discharge to a lower voltage, distributing the remaining voltage among the other cells and resulting in an over-voltage condition. Proper cell balancing can eliminate this imbalance.

There are two balancing schemes to eliminate uneven voltage distribution and ensure a properly balanced ultracapacitor module: passive balancing and active balancing.

Passive Balancing (Figure 1): One technique to compensate for variations in individual cells is to place a same-valued bypass resistor in parallel with each cell, sized to dominate the total cell leakage current. This effectively reduces the variation in equivalent parallel resistance between the cells, which eliminates differences in the leakage current. For example, if the cells have an average leakage current of 10uA +/- 3uA, using a 1% resistor that will bypass 100uA in parallel to each cell will change the average leakage current to 110uA +/- 4uA and decrease the variation in leakage current from 30% to 3.6%. Having the same-value resistor in parallel with all cells also allows the cells with higher voltages to discharge through the parallel resistor at a higher rate than the cells with lower voltages. Together, these effects help to distribute the total voltage evenly across the entire series of ultracapacitor cells.

Figure 1. Passive Cell Balancing

Passive voltage balancing results in a high self-discharge, so is only recommended for applications that have a constant power supply connected to offset the additional load current of the balancing resistors. If this method is appropriate, the balancing resistors should be selected to give an additional current flow of at least 10 times the worst-case cell leakage current. Higher ratios can be used to balance the cells faster, if the series can tolerate the increased current load. Once the system is balanced, the time it takes to keep the system in balance is less of an issue unless there is a high frequency duty cycle.

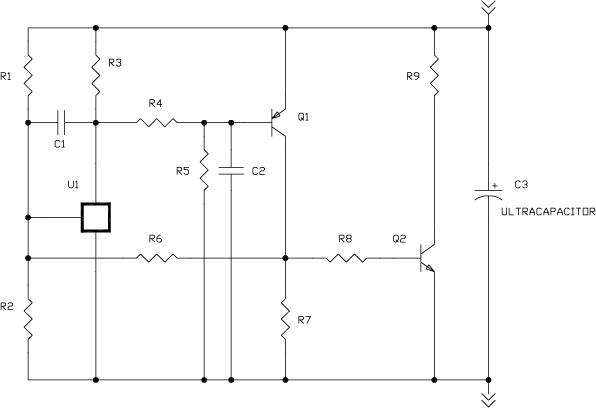
Active Balancing (Figure 2): An Active voltage balancing circuit works by forcing the voltage at the nodes of series-connected cells to stay below a fixed reference voltage. Active circuits typically draw much lower levels of current in a steady state and only require larger currents when the cell voltages go out of balance. These characteristics make active voltage-balancing circuits ideal for applications that may not have a power supply connected continually to offset the higher self-discharge of a Passive balance scheme. Active balancing circuits are more complex than Passive, and most applications with a constant power supply will select Passive Balancing. If self-discharge is a concern, and the power supply is not always available, then an Active Balancing circuit is normally selected.

Figure 2. Active Cell Balancing

Other Recent Posts

What Is Equivalent Series Resistance (ESR)?

Equivalent series resistance (ESR) is a measurement of internal resistance in an energy-storage device and is specified in ohms (Ω). Internal resistance influences the flow of electrical energy through the device and...

Read post

Capacitor Selection Guide

Capacitors are widely used in electric circuits to store energy, suppress voltage spikes, and filter noise, ultimately enhancing a product’s performance. Although capacitors consist of...

Read post